Welding equipment is a device that uses electrical energy to generate heat to weld metal parts together. In the past, welding power sources used large, bulky metal transformers. They operated at 50Hz or 60Hz and were relatively inefficient. The development and widespread use of modern inverter technology has changed the design and capabilities of welding equipment. This new welding equipment operates at higher frequencies, is more efficient and can be made more compact and lightweight by optimizing the design, using capacitors of which film capacitors are the most prominent.
inverter welding machine circuit diagram:

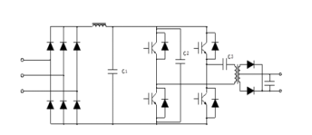
Full bridge inverter welder

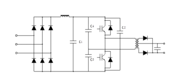
Half bridge inverter welder
CRE film capacitors for welding equipment can be found in the following chart:
|
Function |
Model |
Picture |
|
EMC-filter |
AKMJ-3 | ![]() |
|
DC-link |
DMJ-MT | ![]() |
| DMJ-PC | ![]() |
|
| DMJ-PS | ![]() |
|
|
Snubber |
SMJ-P | ![]() |
| SMJ-TE | ![]() |
|
|
Resonant capacitor |
RMJ-P | ![]() |
CONTACT US for your solutions.
Post time: Nov-30-2021







